Winkelwagen (€0,00)
Mijn account
Home
Alle producten
Alle categorieën
Over ons
Contact
Chassis
Oplooprem & Toebehoren
Uitdraaisteun & Neuswielen
Stabilisator
Assen & Toebehoren
Carrosserieverlichting
Movers
Koppelingslot/Wielklemmen
Accessoires
Diversen
Koppeling
Reservewielhouder
Carrosserie verlichting
Koppelingslot/ Wielklemmen
auto lampen
Gas
Gasslang/Leiding /Koppelstukken
Drukregelaar
Kachel & Onderdelen
Gaskranen
Kooktoestellen
Kook/Spoel Combinatie & Onderdelen
Fittingen
Gasslang/GasLeiding
Drukregelaar + toebehoren
LPG damtanks
Interieur
Koelkast & Onderdelen
Dak/Ventilatie-Roosters
Hang-Sluitwerk
Gordijnhaken
Rollo systemen
Huishoudelijk
Slaapcomfoor
Tafels/Tafel-onderdelen
dometic ramen
Magazijn Opruiming OP=OP
Elektra
Verlichting
Snoeren/Stekker(dozen)
7-13 Polige aansluiting
Accu's/Laders/Inventer
Zekeringkasten / Omvormers
Tv & satelliet
12 Volt
Klimaatbeheersing
Daglichtpanelen
Binnen-Verlichting
Kabels/Stekkers
Zekeringkasten
Invoerdozen
Accu's/Laders /
Omvormers
Exterieur
Dakluik/Deuren
Out-Door
Spiegels
Fietsenrekken
Luifels & onderdelen
Lijstwerk
Sloten
Scharnieren
Lijsten/Biezen/Rubbers
Sloten/Scharnieren
Thule Luifels & Onderdelen
Fiamma Luifels & onderdelen
Water
Reiniging-Producten
Water Verzorging
Sanitair
Out-Door
Tent accessoires
Spiegels
Meubelen
Opstapjes
Huishoudelijk
Afwas/Schoonmaak
Keuken
Apparaten
Merken
Dometic - samenvoegingmoer m15x1
Home
/
Tags
/
banden meter
/
samenvoegingmoer m15x1
samenvoegingmoer m15x1
€6,04
Incl. btw
Merk:
Dometic
+
-
Toevoegen aan winkelwagen
Email ons over dit product
Aan verlanglijst toevoegen
Toevoegen om te vergelijken
Afdrukken
Informatie
Reviews
(0)
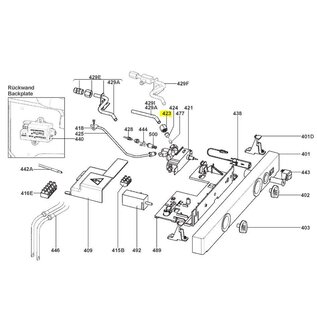
Artikelnummer:
292318900
nummer 423
deze wordt gebruikt bij gaskraan do-11020
Je beoordeling toevoegen
0
sterren op basis van
0
beoordelingen
← Keer terug naar de backoffice
Deze winkel is in aanbouw. Eventueel geplaatste orders zullen niet worden gehonoreerd of verwerkt.
Verbergen